- Viber/WhatsApp +886 918 135 070/ info@solar-bear.tw
- RU
- /
- 🌏
- RU
- /
- 🌏
Product Detail
ШАХТНЫЕ ПЕЧИ ДЛЯ ОТЖИГА ПРОВОЛОКИ В БУНТАХ
- Item Number: 185104
- Product Category: ОБОРУДОВАНИЕ ДЛЯ ОТЖИГА И ПАТЕНТИРОВАНИЯ ПРОВОЛОКИ
- Price: $2,500Dollars
Описание
- Шахтные печи для отжига проволоки в бунтах удобны в эксплуатации, не требуют высокой кран-балки. Высокогерметичны, что увеличивает эффективность цементации и нитроцементации.
- Нагрев - газовый или электрический. Вес садки - 2 тонны, 6 тонн, 8 тонн, 14 тонн, 16 тонн, 20 тонн, 25 тонн, 36 тонн. Размеры печи разрабатываются по требованиям заказчика.
Full Description
Страна происхождения: Тайвань
Особенности
Виды термообработки в шахтных печах для отжига проволоки в бунтах: светлый и сфероидизирующий отжиг; цементация, нитроцементация, азотирование стали; нормализация; отпуск, снятие внутренних напряжений. Программный контроллер способен автоматически поддерживать необходимую температуру, стабильность качества термообработки. Процесс термообработки контролируется с помощью компьютера.
Загрузка садки шахтной/колпаковой печи.
Количество бунтов проволоки в садке печи в зависимости от наружнего диаметра бунтового проката и размеров садки печи отжига
Характеристики
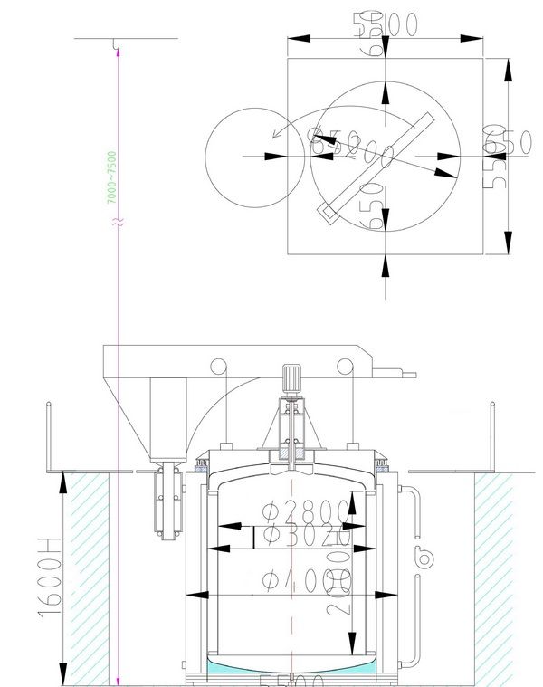
Шахтная печь для сфероидного отжига проволоки SAE AISI 1018-1022
Габариты бунта проволоки: НД = 900 мм, ВД = 500 мм, высота = 150 мм, вес мотка = 150 кг. Диаметр калиброванной проволоки: Ø 2.7 мм/ Ø3.2 мм. Тип печи: шахтного типа с подвесным манипулятором. (CCP-2820). Исходный материал: низкоуглеродистая сталь марки С1018, С1022. Наружный диаметр бунта проволоки: OD 850 мм (7 якорей). Производительность: приблиз. 14-15 тонн/садка. (макс. загрузка). Производительность (месяц): приблиз. 350~420 тонн/печь. Время цикла отжига: в течение 24-28 часов (включает нагрев, выдержку температуры и охлаждение, цикл термообработки контролируется программатором, ПЛК). Мощность: 3-фазы 380В, 280 кВт (макс. потребляемая мощность 320 кВт). Температура: 650℃~730℃, макс. 760℃. Габариты печи: корпус печи: ψ3800 мм x 2800 мм (В), размер садки: ψ2800 мм x 2000 мм (В). Защитная атмосфера: азот с расходомером. Обогащенный газ: пропан с расходомером. Контроллер температуры с панелью управления. Подъем/опускание крышки печи приводится в действие при помощи пневматического цилиндра от компрессора.
Спецификация
Технология
Сфероидный отжиг стали марки 1018, 1022, 1035, 1040, 1045
Сфероидный отжиг стали марки SCM415, SCM420, SCM435, SCM440
КОМПЛЕКТУЮЩИЕ КАТЕГОРИИ
КОМПЛЕКТУЮЩИЕ КОМПОНЕНТЫ ТЕРМИЧЕСКОГО ОБОРУДОВАНИЯ
ГЕНЕНЕРАТОР ЭКЗОТЕРМИЧЕСКОГО ГАЗА
УСТАНОВКА ДЛЯ КРЕКИНГА АММОНИЯ
ГЕНЕРАТОР АЗОТА АДСОРБЦИОННЫЙ
ГРАДИРНЯ ДЛЯ ОХЛАЖДЕНИЯ ВОДЫ И ГАЛЬВАНИЧЕСКИХ РАСТВОРОВ
Видео-презентация оборудования, инструмента и оснастки из Тайваня
Начало просмотра: 05:39-05:49
Other Descriptions
- СВЯЖИТЕСЬ С НАМИ
info@solar-bear.tw - Карта сайта
Тайвань, г. Тайбэй, тел. +886-918-135-070, эл. почта: info@solar-bear.tw
Станки, метизное оборудование, инструмент из Тайваня для производства крепежа и калиброванного металлопроката.
.jpg&Width=347)
.jpg&Width=347)
.jpg&Width=347)
.jpg&Width=347)
.jpg&Width=347)